<V.3版>
 INT070
by Legato
グラフィック デモ

(→プロジェクトファイル(Harmony Ver.3版 MHC v3.8.0) ダウンロード


 PIC32MZ 評価ボードには、Displaytech社のINT035(QVGA: 320 x 240pixel  3.5インチ)のグラフィク液晶が標準で搭載されていますが、 このINTのシリーズの中で一番大きな液晶として 大型のタッチパネル機能付 WVGA 800 x 480 pixelのグラフィック液晶 INT070があります。 この液晶は PIC32MZ 評価ボード(MZ100 - A001)を使って評価することができます。

 INT070は 液晶を制御しているグラフィックコントローラはソロモンテック社のSSD1963です。 タッチパネルICはマキシム社のMAX11802です。いずれもINT035と全く同じICです。


 <INT070を使った実験前準備>
 ・液晶の詳細スペックについてはDisplaytech社のホームページを参照してください。( → URL )
 ・YS電子工作ショップでは取り扱っていません。 購入先としては、RSコポーネント、MOUSER、Digi-Keyなどがあります。
   PIC32MZ評価ボードに追加する要領については右のURLを参照してください。( → INT070追加方法 )
 ・ INT070を使用した実験をする場合は グラフィック液晶アダプターキバン(UN002)を購入(→購入先)することをお薦めします。
 ・ INT070をPIC32MZ評価ボード(MZ100 - A001)とINT070間のタッチパネル制御はSPI制御ですがノイズ対策としてこの制御ラインにノイズフィルタを追加する必要があります。  
 ・ INT070が安定して表示が行われるべく以下を実施することをお薦めします。
     インテル8080 インターフェースの制御ライン(CS、RS、RD、WR,RST)は、10KΩ(マザーボードに実装済み)によりハンダジャンパーを短絡してプルアップする。( → 参照
   
   
   
<仕様> 
  ・ 液晶は以下の3つを制御のこと
  ①グラフィック液晶 Displaytech社製 INT070-TS(タッチパネル型) WVGA 7.0インチ
  ②キャラクタ液晶(4ビットパラレルインターフェース) 秋月電子通商販売 SC1602 16文字 x 2行
  ③キャラクタ液晶(I2Cインターフェース) 秋月電子通商販売 ACM1602 16文字 x 2行
・ PIC起動時にキャラクタ液晶には以下を 2 sec 表示のこと
  ①キャラクタ液晶(4ビットパラレル)
      1行目: PIC32MZ2048-
      2行目: EFH100 booted
  ②キャラクタ液晶(I2C) 
     1行目: Harmony Ver.3
     2行目: Legato Start !!
・ 汎用モジュール評価ボード(DB001 段積みボード)が接続されていなくともグラフィク液晶 及びキャラクタ液晶(4ビットパラレル)は動作可能なこと。すなわち キャラクタ液晶(I2C)が接続されていなくともグラフィク液晶 及びキャラクタ液晶(4ビットパラレル)は動作可能なこと。I2Cの接続回路がないのにI2C制御を行おうとすると制御が永久待ちになってしまいます。
   具体的には、以下の制御を行うこと。
   RA2ピン、RA3ピンにI2C制御用プルアップ抵抗5.1KΩが接続されているか否かをPIC立ち上がり時に判別してプルアップ抵抗が
  無い場合はI2C制御は実施しないようにする。判別方法は、以下とする。
   ①RA2ピン、RA3ピンに、プルダウン抵抗を設定する。
   ②I2Cモジュールを無効にして、RA2とRA3をアナログ入力ポートモードする。
   ③入力電圧が+3.3vであればプルアップ抵抗は接続されている、入力電圧が0vであればプルアップ抵抗は接続されていないと
    判別する。

・ PIC立ち上がり後、評価ボードは、以下の3モードを有すること。
  グラフィク液晶表示 キャラタ液晶表示 
I2C
インターフェース型
4ビットパラレル
インターフェース型
第1モード 
内容:  ホーム画面 タイトル文字 及び画像表示
ラベルウィジェットにより、以下の2モードを2secで交互に表示すること。
・モード1
    Welcome to
    PIC32MZ Evaluation Board 
    INT070: 7" 800 x 480 pixel

・モード2
    <Harmony Ver.3>
    Touch LCD INT070
    by Legato
 ② 背景色は黄緑色とする。
下記画像をイメージウィジェットにより表示すること。
 
 
 
 
  
 ボタンウィジェットを設定し、ボタン表面に "NEXT"と表示する。 また このNEXTボタンをクリックした場合グラフィック液晶は第2画面を表示すること。 尚、NEXTボタンの色は黄色とする。
Welcome to
    PIC32MZ



I2C Control
     LCD

 を 交互にラベルウィジェットの文字変更と同期して表示すること。
Touch Position
     (X,Y)



4bit parallel
    control LCD

 を 交互にラベルウィジェットの文字変更と同期して表示すること。
第2モード
内容:  ボタンウィジェットによる 外部LEDのON/OFF 及び画像の切り替え
ON/OFFと表示したボタンウィジェットにより以下の2モードをボタンリリース時に切り替える。背景色は青色とする。
 尚、適当なチャタリング対策施行のこと。

モード2A: LED x 4個を点灯する。      
        左記画像x4を表示する
  左記画像x4を非表示とする

モード2B: LED x4個を消灯する。
        左記画像x4を非表示とする
  左記画像x4を表示する
上記ON/OFFボタンの近傍に ラベルウィジェットにより下記を表示のこと。
LED Touch Control
以下の2つのボタンウィジェットを画面に取り付けのこと。
・ BACKボタン: クリックすると第1モードに移行
・ NEXTボタン: クリックすると第3モードに移行
モード2Aの場合:
LED Touch Contro
   LED: ON

モード2Bの場合:
Touch Control
   LED: OFF
グラフィック液晶にタッチが
発生している場合 下記のようにタッチ位置をリアルタイムで表示のこと。

X = xxx
Y = xxx

(例)
①右下端の場合
     X = 800
     Y = 480
②左上端の場合
     X = 0
     Y = 0


タッチが発生していない場合
 最後にタッチした座標の表示を保持すること。
第3モード     
内容: 円、直線、長方形の描画、スライドショウ 
    同上
以下の4つの画面を3.0sec毎に順次表示し、これを繰り返す。 
 また、液晶画面にタッチが発生した場合は第1モードに移行する。この旨を明示するために、4つの画面すべての下部に以下の文字をラベルウィジェットで挿入のこと。背景色は黒色とする。
Touch anywhere, when go back to TOP
モード3A: 円、直線、長方形のウィジェット等 何も       表示しない。
       RG15のLEDを点灯する。他は消灯 
 何も表示しない。
モード3B: 円ウィジェットの図形のみ表示する。
       RD4のLEDを点灯する。他は消灯   
以下を表示する。
Circles
モード3C: 円、直線ウィジェットの図形を表示す
       る。
       RA15のLEDを点灯する。他は消灯 
以下を表示する。
Circles & Lines
モード3D: 円、直線、長方形ウィジェットの図形を        表示する。
       RA14のLEDを点灯する。他は消灯
以下を表示する。
Circles & Lines
Rectangles


   
   
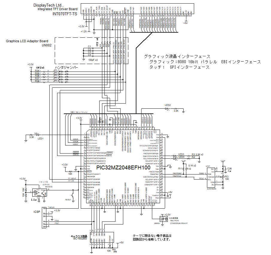
<回路図> ( → PDFファイル
 
   
   
<外観> 
 

 PIC32MZ評価ボード(→購入方法) 及びグラフィック液晶アダプターキバン(UN002: →購入先)を使った実験品の外観です。
 汎用モジュール評価ボード(段積みボード)には本テーマと関係ない部品が多々実装されています。

全体
構成要約
分解した状態 液晶(INT070)部のみ組み立てた状態(上面)
 液晶(INT070)部のみ組み立てた状態(側面)  グラフィックス液晶アダプターキバン外観


   
<動作結果> (→ 動画:1080pのHD動画を見ることができます。)
   
 
第1モード  ラベル
ウィジェット
文字 
    Welcome to
    PIC32MZ Evaluation Board 
    INT070: 7" 800 x 480 pixel
    <Harmony Ver.3>
    Touch LCD INT070
    by Legato
結果 
第2モード   LED 
ON/OFF
OFF ON
結果
タッチ位置
座標表示
左上部 中央下部
結果
第3モード   モード  ・円、直線、長方形のウィジェット等 何も表示しない。
・RG15のLEDを点灯する。他は消灯 
・I2C液晶: 表示なし
・円ウィジェットの図形のみ表示する。
・RD4のLEDを点灯する。他は消灯 
・I2C液晶: Circles
結果 
モード  ・円、直線ウィジェットの図形を表示する。
・RA15のLEDを点灯する。他は消灯 
・I2C液晶:Circles & Lines
・円、直線、長方形ウィジェットの図形を表示する。
・RA14のLEDを点灯する。他は消灯
・I2C液晶: Circles & Lines & Rectangles
結果 
 


   
   
   
<解説> プロジェクトファイル精読願います。