YS電子工作ラボ

<V.3版>
MSP2807 by Legato
タッチ式 オーディオプレーヤ

(→プロジェクトファイル(Harmony Ver.3版 MHC v3.8.0) ダウンロード


 タッチパネル式グラフィック液晶MSP2807を使った タッチ式のオーディオプレーヤを紹介します。 グラフィックライブラリは Legatoを使っています。
   
   
  <仕様>
  ・グラフィック液晶 MSP2807を使ったタッチ式オーディオプレーヤを製作のこと
・マイコンはPIC32MZ2048EFH100とする
・デコーダはVS1053Bの内臓デコーダとし、再生可能ファイルは WAV、MP3、WMA、AAC、Oggなどとする
・SDカードに収納されているサブフォルダを含む全ファイルを再生できること
・Tera Termに、SDカード内の全ファイル、及び演奏中のファイルを表示のこと

・グラフィック液晶への表示 及び操作
 ① SDカード内の全ファイルをLegatoのListウィジェットを用いてリスト表示すること。
    尚、ファイルはフルパスで表示のこと
 ② ①のリストをタッチすることによって選曲ができ、すみやかに再生がはじまること
 ③ Legatoのスライダーウィジェットのノブをドラッグすることで音量が調整できること
 ④ Legatoのボタンウィジェットをタッチすることによって、再生(再開) 及び再生一時停止操作をおこなえること

 
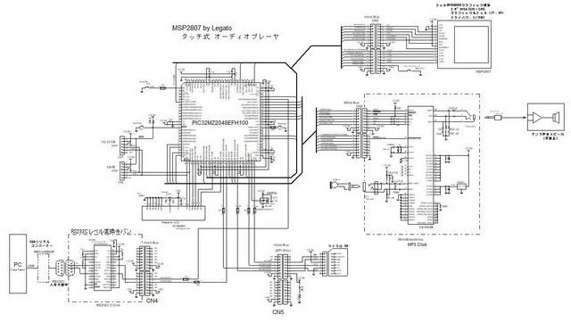
  <回路図>( → PDFファイル
   
   
  <外観>PIC32MZ評価ボード(→購入方法)を使った実験品の外観です。 追加構成部品として、mikroBUS 評価ボード DB004(→購入方法)、mikro BUS用 ユニバーサルキバンUN003(→購入方法)、マイクロエレクトロニカ社の RS232 2 click 、mikroSD click 、MP3 Click 、秋月電子通商のMSP2807などが使用されています。
 
   
  <動作結果>(→ 動画:1080pのHD動画を見ることができます。)
   
  1. 演奏ファイルリスト画面
起動時の画面 タッチで別の曲を選択して演奏している画面  スクロールして最後のアイテム(ファイル)が表示されている画面



2. 音量変更画面
   スライドバーのノブ付近をドラッグして音量を変更する
 



3. 再生(再開)/一時停止操作
   ボタンウィジェットをタッチする毎に、再生(再開)モードと一時停止モードが変更となる。
ボタンにタッチしていない状態 ボタンにタッチしている状態


4. Tera Termログ

   
   
   
   
   
   
   
   
   
   
   
   
  <解説>  プロジェクトファイル精読願います。