YS電子工作ラボ

Bluetooth Classicモード
RN42による PC(Tera Term) - PIC間
I/O、文字列送受信

(→プロジェクトファイル(Harmony Ver.2.04版 ) ダウンロード


 Bluetoothには、BLE(Bluetooth Low Energy)モードと BLEができる以前からあるBluetooth Classicモードがあります。 以下に、マイクロチップの無線モジュールRN42を使用したBluetooth Classicモードのテキストデータ送受信によるI/O制御と文字列送受信の例を紹介します。


<仕様> 
・PIC32MZとPCのTera Term間で Bluetooth Classicモードを用いたテキストデータ送受信を行うこと。
・無線モジュールはマイクロチップのRN42を使用すること。 RN42が実装された無線モジュールとして 秋月電子のRN42XVP-I/RMを使用のこと。
・使用するプロファイルはSPP(Serial Port Profile)とする。
・RN42の受信データをPIC側 及びPIC側共 Tera TermによりPC画面でモニタすること。
・PIC32MZとPC(Tera Term)間の送受信は以下とする。
 ➀PIC側のLED ON/OFF制御を PC側Tera Termから行う
    PC側Tera Term 送信文字列:
              "#LED 1"  → LEDが点灯する
              "#LED 0"  → LEDが消灯する。
     
 ➁PIC側のスイッチON/OFFモニタを PC側Tera Termで行う
    PC側Tera Term 受信文字列:
              スイッチがONした瞬間 →  "##SW: ON" 
              スイッチがOFFした瞬間 → "##SW: OFF"

 ③PIC側の可変抵抗器の電圧モニタを Tera Termで行う。
   (AD変換の整数値を Tera Termでモニタする。)
             例1. AD変換の整数値:828 の場合(0.66v相当) → "##828"
             例2. AD変換の整数値:1400 の場合(1.12v相当) → "##1400"
    尚、このモードに於いては PIC側のI2Cインターフェースのキャラクタ液晶で以下を表示すること
     1行目: AD変換の整数値
     2.行目: 換算した可変抵抗器の電圧

 ④PIC側から文字列の送信を行い、PC側のTera Termに受信した文字列を表示する。
  送信文字列は、スイッチにより以下の文字列を順次送信すること。
              "##str: Japan"
              "##str: America"
              "##str: U.K."
              "##str: France" 
 
 ⑤PC側からキーボードでTera Termに打鍵して以下の文字列をPIC側に送信して PIC側のTera Termと I2Cインターフェースのキャラクタ液晶に受信文字列を表示する。
    打鍵文字列 
       例1: "#str Hellow World !!" → "#str Hellow World !!"(PIC側Tera Term)、
                             "Hellow World !!"(I2Cインターフェースキャラクタ液晶)
       例2: "#str I am fine Today." → "#str I am fine Today."(PIC側Tera Term)、
                             "I am fine Today."(I2Cインターフェースキャラクタ液晶) 




 


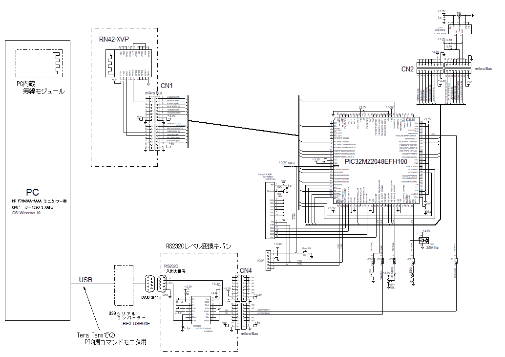
<回路図>(→PDFファイル




<外観>

          PIC32MZ評価ボード(→購入方法)を使った実験品の外観です。 PIC32MZ評価評価ボードのマザーボート部に、mikro BUS評価ボード(→購入方法)が取り付けられています。 
 実験回路の下記3部分はmikro BUSを経由してmikro BUS評価ボードにとりつけられています。
 1.
 無線モジュール秋月電子 RN42XVP-I/RM)は、mikro BUS用 ユニバーサルキバン(→購入方法、2mm→2.54mmピッチ変換キバン(→購入方法 )を使用してmikroBusに変換して mikro BUS 評価ボードに取り付けられています。
 2. I2Cインターフェースのキャラクタ液晶
 3. RS232C レベル変換回路

(注)mikro BUS評価ボード 及び一部のmikro BUS用 ユニバーサルキバンには本テーマと関係ない部品が多々取り付けられています。


システム全体 
無線モジュール部
RN42-XVP





<動作結果>( 動画 → 1080pのHD動画を見ることができます。)  

■ LED ON/OFF、 スイッチモニタ、 文字列送受信 
 

➀ PIC側のLED ON/OFF制御を PC側Tera Termから行った場合

LEDがONした直後
("# LED 1" を打鍵直後)
LEDがOFFした直後
("#LED 0" を打鍵直後


➁PIC側のスイッチON/OFFモニタを PC側Tera Termで行った場合

スイッチを押した直後
("##SW: ON" を受信)
スイッチを離した直後
("##SW: OFF" を受信)



 ③PIC側の可変抵抗器の電圧モニタを PC側Tera Termで行った場合
   (AD変換の整数値を Tera Termでモニタした場合)

AD変換の整数値828を受信した直後
("##828"を受信した直後)
(可変抵抗の電圧が約0.66vになった直後)
AD変換の整数値1400を受信した直後
("##1400"を受信した直後)
(可変抵抗器の電圧が約1.12vになった直後)





 ④PIC側から文字列の送信を行い、PC側のTera Termに受信した文字列を表示した場合

PC側Tera Termで 
"##str: Japan"を受信した直後
PC側Tera Termで
 "##str: America"を受信した直後


 ⑤PC側からキーボードでTera Termに打鍵して 
   PIC側のTera Termと I2Cインターフェースのキャラクタ液晶に受信文字列を表示した場合

    打鍵文字列
"#str Helow World !!"
打鍵文字列
"#str I am fine. Today"



Tera Term ログ
 
PIC側
 Tera Term 
PC側
 Tera Term 
   
   
■ PCのデバイスマネージャー 
 




<解説> プロジェクトファイル精読願います。